File Tiếng Anh
Lưu ý quan trọng
- AIKO bảo lưu quyền thay đổi nội dung hướng dẫn này mà không cần thông báo trước. Vui lòng luôn kiểm tra phiên bản mới nhất trên website chính thức của AIKO. Việc lắp đặt hệ thống mô-đun điện mặt trời yêu cầu kiến thức chuyên môn và kỹ năng kỹ thuật, chỉ nên thực hiện bởi nhân viên được đào tạo. Trước khi lắp đặt và sử dụng mô-đun, hãy đọc kỹ hướng dẫn này.
- Người lắp đặt phải am hiểu yêu cầu cơ khí, điện và an toàn của hệ thống. Giữ lại tài liệu này để tham khảo khi bảo trì, xử lý hoặc kiểm tra sau này.
- Nếu có thắc mắc, vui lòng liên hệ bộ phận hỗ trợ kỹ thuật của AIKO Solar.
1. Giới thiệu chung (Overview)
Tài liệu này cung cấp hướng dẫn về lắp đặt và sử dụng an toàn các mô-đun quang điện (PV module) do Zhejiang Aiko Solar Technology Co., Ltd. sản xuất.
Việc lắp đặt, vận hành và bảo trì phải tuân thủ tất cả biện pháp an toàn được quy định trong hướng dẫn và pháp luật địa phương hiện hành.
2. Luật và quy định liên quan (Laws and Acts)
Việc lắp đặt cơ khí và điện của mô-đun PV phải tuân thủ các quy định pháp lý áp dụng, bao gồm:
-
Luật Điện lực (Electrical Act)
-
Luật Xây dựng (Building Act)
-
Quy chuẩn đấu nối điện áp DC/AC.
Các yêu cầu này khác nhau tùy theo khu vực lắp đặt (mái nhà, công trình nổi, di động, v.v.).
Hãy tham khảo cơ quan quản lý năng lượng hoặc xây dựng địa phương để được hướng dẫn cụ thể.
3. Thông tin chung (General Information)
3.1. Nhận dạng mô-đun (Module Identification)
Mỗi mô-đun AIKO đều có:
-
Nhãn định danh (Nameplate) ghi công suất định mức (Pmax), dòng định mức (Imp), điện áp định mức (Vmp), điện áp hở mạch (Voc), dòng ngắn mạch (Isc), điện áp hệ thống tối đa, và dấu chứng nhận (IEC/CE/UL).
-
Mã số sê-ri (Serial Number) in trên mã vạch, không được tẩy xóa hay che phủ. Mã này có tại: khung bên, mặt sau mô-đun, và trong hệ thống quản lý xuất xưởng.
- Danh sách đóng gói (Packaging List) bao gồm các thông tin sau: loại mô-đun quang điện, mã vạch mô-đun, số lượng mô-đun trong thùng, trọng lượng kiện hàng, kích thước thùng, cùng với phân loại màu của các tế bào quang điện (cell color classification). Để đảm bảo tính đồng nhất về màu sắc tổng thể của hệ thống khi khách hàng sử dụng các mô-đun, các thùng chứa mô-đun PV được đóng gói theo cùng tông màu của cell và được đánh dấu ký hiệu S1, S2, S3 trên danh sách đóng gói.
3.2. Phương pháp đi dây (Wiring Method)
-
Hộp nối (junction box) của mô-đun AIKO được đặt ở vị trí trung tâm. Vui lòng tham khảo bảng dưới đây để biết cách đấu nối nối tiếp (series) các mô-đun AIKO.
3.3. An toàn chung (General Safety)
Các mô-đun PV của AIKO được thiết kế để vận hành theo tiêu chuẩn IEC 61215 và IEC 61730. Mô-đun có thể được sử dụng trong các hệ thống có điện áp DC > 50 V hoặc công suất > 240 W tại các khu vực có thể công chúng tiếp cận. Dòng dual-glass đạt cấp an toàn Class II và xếp hạng chống cháy A; dòng mono-glass đạt cấp an toàn Class II và xếp hạng chống cháy C.
- Trước khi thao tác và lắp đặt mô-đun AIKO, hãy đọc kỹ và hiểu hướng dẫn lắp đặt này. Nếu cần giải thích thêm, vui lòng liên hệ AIKO (aikosolar.com).
Bất kể mô-đun đã đấu nối điện hay chưa, luôn sử dụng phương tiện bảo vệ phù hợp như dụng cụ cách điện, mũ bảo hộ, găng tay cách điện, dây đai an toàn và giày cách điện khi xử lý mô-đun, dù có hay không kết nối với hệ thống. Hãy dùng dụng cụ an toàn điện thích hợp khi cần nối đất, đấu nối, vệ sinh hoặc thao tác với mô-đun.
- Mô-đun PV phát điện một chiều khi tiếp xúc ánh sáng mặt trời hoặc nguồn sáng khác; tránh chạm trực tiếp vào mô-đun để phòng điện giật.
- Tuân thủ luật lệ và quy định địa phương khi lắp đặt và, khi cần, phải có giấy phép xây dựng hoặc chứng nhận tương ứng.
- Mô-đun PV chỉ được lắp đặt bởi nhân sự đủ điều kiện, có kỹ năng và kiến thức chuyên môn, am hiểu yêu cầu cơ khí và điện của hệ thống. Cần xác định trước các rủi ro tiềm ẩn trong quá trình lắp đặt (bao gồm điện giật). Người lắp đặt phải được trang bị PPE phù hợp và sử dụng đúng cách.
- Hệ thống mái chỉ được lắp đặt trên mái đã qua thẩm định bởi chuyên gia xây dựng với phân tích kết cấu đầy đủ; mái phải được chứng minh chịu được tải trọng của hệ thống PV.
- Tuân thủ quy định an toàn cho mọi thành phần giá đỡ và điện: dây dẫn, cáp, đầu nối, bộ điều khiển sạc, biến tần, ắc quy. Chỉ sử dụng thiết bị/đầu nối/dây/giá đỡ phù hợp với hệ thống điện mặt trời. Nếu hệ thống có ắc quy, phải tuân theo hướng dẫn của nhà sản xuất ắc quy.
- Không chiếu ánh sáng tập trung nhân tạo (ví dụ: gương, thấu kính hội tụ) lên bề mặt mô-đun PV.
3.4. An toàn điện (Electrical Safety)
Vui lòng tuân thủ nghiêm ngặt các lưu ý an toàn điện dưới đây để tránh mọi sự cố về an toàn điện:
-
Mô-đun PV có thể phát sinh điện áp DC > 30 V trong điều kiện thử nghiệm tiêu chuẩn STC; cần tránh tiếp xúc trực tiếp. Khi lắp đặt mô-đun, hãy mang mũ bảo hộ, găng tay cách điện và giày cao su. Không lắp đặt mô-đun PV khi không có biện pháp an toàn.
-
Không khoan lỗ vào khung; thao tác này có thể gây mất cách điện cho mô-đun PV.
-
Không thực hiện đấu nối điện bằng phương thức khác ngoài đầu nối (connectors).
-
Mô-đun bị vỡ/hỏng tiềm ẩn nguy cơ điện giật và cháy và phải được thay thế ngay.
-
Chỉ lắp đặt mô-đun khi đảm bảo an toàn về điện.
-
Tránh chạm vào mô-đun khi không cần thiết vì bề mặt và khung có thể nóng, gây bỏng hoặc điện giật. Điện áp chuỗi (nối tiếp) không được vượt quá giá trị chịu điện áp tối đa cho phép.
-
Không kết nối hoặc ngắt kết nối mô-đun khi có dòng rò trên mô-đun hoặc khi đang có dòng điện bên ngoài. Hãy cách ly/tháo rời mô-đun lỗi kèm biện pháp bảo vệ an toàn.
3.5. An toàn khi thao tác (Handling Safety)
-
Chọn phương án vận chuyển phù hợp, êm và ổn định để tránh làm hư hại bao bì của linh kiện.
-
Cấm đứng, dẫm, ngồi, đi lại hoặc nhảy trực tiếp lên kiện mô-đun PV hoặc mô-đun PV
-
Không đặt vật nặng lên mô-đun; không đặt mô-đun lên bề mặt sắc nhọn. Tránh va đập hoặc làm biến dạng mép của mô-đun.
-
Không nối cực dương (+) và cực âm (–) của cùng một mô-đun với nhau.
-
Không nối cực dương (+) và cực âm (–) của cùng một mô-đun với nhau.
-
Trong quá trình vận chuyển, tham khảo Chương 4 – Hướng dẫn Lưu kho & Vận chuyển. Mọi thao tác lưu kho/vận chuyển không đúng có thể gây vỡ kính hoặc suy giảm đặc tính điện, dẫn tới mất giá trị sử dụng của mô-đun.
- Thận trọng khi lắp đặt mô-đun PV. Tuyệt đối không nhấc mô-đun bằng hộp nối (junction box) hoặc cáp. Ít nhất hai người phải nắm giữ các cạnh mô-đun bằng hai tay khi di chuyển.
- Không tự ý tháo rời mô-đun PV hoặc gỡ nhãn/chi tiết trên mô-đun.
- Không sơn hoặc bôi keo/dính lên bề mặt trên của mô-đun PV.
- Không làm hỏng hay làm xước kính ở mặt trước hoặc mặt sau của mô-đun.
- Không khoan lỗ vào khung mô-đun; việc này làm giảm khả năng chịu tải của khung, gây ăn mòn và làm mất hiệu lực bảo hành có giới hạn.
- Không làm trầy lớp anot hóa trên khung nhôm (ngoại trừ vị trí nối đất). Vết trầy có thể gây ăn mòn khung, giảm khả năng chịu tải và độ tin cậy lâu dài.
- Không tự sửa chữa hoặc cải tạo mô-đun PV.
3.6. An toàn phòng cháy (Fire Safety)
-
Lắp đặt mô-đun trên bề mặt mái chống cháy phù hợp.
-
Khoảng cách giữa khung mô-đun và mái nhà tối thiểu 10 cm để thoáng khí.
-
Không lắp gần nguồn lửa hoặc khu vực có khí dễ cháy.
-
Phải dùng cầu chì, CB, và thiết bị nối đất đạt chuẩn theo luật địa phương.
- Vui lòng không lắp đặt hoặc sử dụng mô-đun PV tại khu vực lân cận có khí dễ cháy.
4. Hướng dẫn vận chuyển và lưu kho (Storage and Transportation)
-
Khi mô-đun PV đến nơi, vui lòng kiểm tra tình trạng thùng carton còn nguyên vẹn và đối chiếu loại mô-đun, số lượng in trên bao bì bên ngoài so với lệnh giao hàng. Nếu phát hiện bất kỳ sai sót/hư hại nào, hãy liên hệ ngay bộ phận logistics và kinh doanh của AIKO.
1) Dỡ hàng bằng cẩu (crane):
-
Hoạt động cẩu yêu cầu người chỉ huy riêng và nhân sự có chứng chỉ vận hành. Trước khi cẩu, quan sát kiểm tra thùng và pallet, đồng thời kiểm tra độ chắc chắn của dây treo.
-
Chọn và sử dụng đồ gá/chống chuyên dụng phù hợp trọng lượng và kích thước pallet. Tâm trọng lực của mô-đun nên nằm ở phía trên thùng; điều chỉnh vị trí dây treo để giữ ổn định kiện hàng.
-
Để an toàn cho mô-đun, đặt thanh gỗ/tấm đệm (cùng bề rộng với thùng) trên đỉnh thùng để tránh dây treo siết vào pallet gây hư hại mô-đun.
-
Vận hành spreader với tốc độ ổn định; khi hạ gần mặt đất, đặt nhẹ nhàng lên nền phẳng.
-
Không dỡ mô-đun PV khi gió trên cấp 6 Beaufort.
2) Dỡ hàng bằng xe nâng (forklift):
-
Cao độ sàn bốc dỡ nên bằng với gầm phương tiện chở hàng.
-
Tốc độ lái ≤ 3 km/h, tốc độ nâng ≤ 1 km/h; tránh phanh gấp, đề-pa gấp, rung xóc, và tránh va chạm với vật sắc gây hư hại linh kiện.
-
Chiều cao tấm chắn trên giá xe nâng ≥ 1200 mm; lắp đệm ở càng trước để tránh tiếp xúc trực tiếp với mô-đun. Mỗi lần vận chuyển chỉ 1 chồng (1 stack).
-
Tài xế xe nâng phải có chứng chỉ. Nếu thùng carton che khuất tầm nhìn, khuyến nghị chạy lùi và bố trí người hướng dẫn giám sát để đảm bảo đầu càng không vượt quá phạm vi kiện hàng, tránh rơi thùng gây nguy hiểm hoặc hư hại.
-
Sau khi vận chuyển đến khu vực lắp đặt, hãy chọn nền cứng, phẳng để đặt hàng
5. Điều kiện lắp đặt (Installation Conditions)
6. Lắp đặt cơ khí (Mechanical Installation)
6.1 Yêu cầu chung (General Requirements)
-
Bảo đảm mô-đun PV được lắp đặt đúng kỹ thuật và hệ khung giá đỡ được gia cố chắc chắn. Hệ giá đỡ mô-đun phải làm từ vật liệu chống ăn mòn và chịu tia UV.
-
Hệ thống khung/giá đỡ phải được kiểm định – thử nghiệm bởi tổ chức độc lập có năng lực phân tích cơ học tĩnh, phù hợp tiêu chuẩn quốc gia hoặc quốc tế.
-
Ở khu vực tuyết rơi dày vào mùa đông, điều chỉnh chiều cao của hệ giá đỡ để mép dưới mô-đun không bị tuyết che phủ; đồng thời tránh bóng che (cây cối, thảm thực vật) lên phần dưới mô-đun.
-
Với lắp đặt trên mái, khoảng hở tối thiểu giữa mô-đun và mái là 10 cm để thông gió tốt, giúp cải thiện hiệu suất mô-đun.
-
Khung mô-đun có thể gặp giãn nở nhiệt/ co ngót lạnh; sẽ có độ võng nhất định theo nhiệt độ, nhưng không ảnh hưởng đến hiệu năng và độ tin cậy. Khoảng cách lắp đặt tối thiểu giữa hai mô-đun kề nhau: 10 mm. Nếu có yêu cầu đặc biệt, liên hệ AIKO để được hướng dẫn thêm về phương pháp lắp đặt.
-
Đảm bảo mặt sau mô-đun không chạm vào giá đỡ hoặc kết cấu công trình có thể đâm xuyên vào bên trong mô-đun, đặc biệt khi bề mặt mô-đun bị tác động áp lực.
-
Tải tĩnh tối đa của mô-đun PV: áp lực xuống 5400 Pa và lực hút ngược 2400 Pa (các giá trị có thể khác nhau theo phương pháp lắp; các giá trị mô tả trong sổ tay là giá trị thử nghiệm).
-
Các tải trọng mô-đun nêu trong tài liệu là giá trị thử nghiệm. Theo yêu cầu lắp đặt của IEC 61215:2021, khi tính toán tải trọng thiết kế tối đa, cần chia (giảm) ít nhất theo hệ số an toàn 1,5 lần để tuân thủ luật/quy định hiện hành.
-
Ngoài ra, tải trọng thiết kế của dự án phải xác định dựa trên địa điểm, khí hậu, kết cấu giá đỡ và tiêu chuẩn áp dụng. Việc thiết kế tải do nhà cung cấp giá đỡ và kỹ sư chuyên môn xác lập. Tuân thủ cả luật/quy định địa phương và chỉ dẫn của kỹ sư kết cấu.
6.2 Lắp đặt cơ khí mô-đun PV (Mechanical Installation of PV Modules)
Mô-đun PV được liên kết với hệ giá đỡ bằng kẹp ép (pressure clamps) và bu-lông. Mô-đun phải được lắp theo khuyến nghị và minh họa trong tài liệu.
Các cấu hình khác chỉ được phép khi đã tham vấn AIKO và có văn bản chấp thuận trước; nếu không, bảo hành sẽ không còn hiệu lực.
6.2.1 Phương pháp lắp mô-đun PV: dùng kẹp ép (pressure clamps)
-
Tuyệt đối không để kẹp chạm vào kính hoặc làm biến dạng khung.
-
Tránh gây bóng che do kẹp ép.
-
Khi lắp kẹp, cẩn trọng để không che lấp lỗ thoát nước trên khung.
-
Lưu ý độ cao/điểm tựa của khung để khớp đúng với kẹp ép.
-
Bảo đảm kẹp ép không bị rơi do biến dạng hoặc do tải tác dụng khi toàn bộ mô-đun chịu lực.
-
Vật liệu kẹp ép khuyến nghị: hợp kim nhôm 6005-T6. Chiều dài kẹp ≥ 50 mm, bề dày kẹp ≥ 4 mm.
Độ chồng lấn giữa kẹp và khung mô-đun tối thiểu 10 mm, không vượt 12 mm. -
Vị trí kẹp có ý nghĩa quyết định đối với độ tin cậy lắp đặt. Đường tâm kẹp chỉ được đặt trong vùng cho phép nêu ở bảng/vị trí phía dưới (phụ thuộc cấu hình và tải).
- Khi chọn phương án kẹp ép (clamp mounting), hãy dùng ít nhất 4 kẹp cho mỗi mô-đun PV. Tùy tải gió/tuyết tại địa phương, nếu cần tăng cường khả năng chịu tải, tối thiểu 6 kẹp có thể được yêu cầu để bảo đảm mô-đun chịu được tải. Cần biết chi tiết tải trọng, vui lòng liên hệ kỹ thuật AIKO.
- Không khoan thêm lỗ hoặc tự ý chỉnh sửa khung mô-đun. Làm vậy sẽ làm mất hiệu lực bảo hành của mô-đun PV.
- Sử dụng vật tư liên kết chống ăn mòn phù hợp. Toàn bộ phần cứng lắp đặt (bu-lông, vòng đệm phẳng, vòng đệm vênh, đai ốc) nên dùng thép không gỉ. Siết chặt mô-đun PV với ray giá đỡ theo mô-men siết do nhà sản xuất hệ giá đỡ quy định.
- Mô-men siết tham khảo:
• Bu-lông M6: 16–20 Nm
• Bu-lông M8: 8–12 Nm
(Giá trị cụ thể phụ thuộc cấp bền bu-lông; hãy ưu tiên theo khuyến nghị của nhà cung cấp phần cứng.)
6.2.2 Phương pháp lắp mô-đun PV: Bắt bu-lông (Bolts Mounting)
Dùng bu-lông để cố định mô-đun PV vào giá/giằng thông qua các lỗ bắt ở mặt sau khung.
Mô-đun PV thường có 4 hoặc 8 lỗ bắt, tương ứng với bu-lông M6 hoặc M8 (xem hình minh họa trong tài liệu gốc).
- Điều quan trọng là phải đảm bảo các bu-lông không bị hư hỏng do biến dạng hoặc ăn mòn trong suốt quá trình chịu tải của mô-đun PV.
- AIKO khuyến nghị sử dụng vòng đệm có độ dày ≥ 1,7 mm và áp dụng mô-men siết cho bu-lông M8 từ 16–20 Nm và M6 từ 8–12 Nm, tùy theo cấp độ bu-lông (bolt class).
- Đối với cấp bền bu-lông, cần tuân theo hướng dẫn kỹ thuật của nhà cung cấp linh kiện siết (fastener supplier).
Nếu có khuyến nghị riêng từ nhà cung cấp bộ kẹp (clamping hardware), các hướng dẫn đó sẽ được ưu tiên áp dụng.
6.2.3 Lắp đặt và tải cơ học của mô-đun kính đơn (Installation and Mechanical Load of Mono Glass Module)
Mô-đun kính đơn có thể được lắp đặt bằng bu-lông hoặc kẹp (clamps).
Phương pháp lắp đặt và tải trọng thử nghiệm tối đa được trình bày dưới đây. (Đơn vị của khoảng cách và chiều dài trong bảng là milimét (mm), và đơn vị áp suất là Pascal (Pa)).
Thông tin tải cơ học của mô-đun kính đơn có khung loại 54–60 cell
Thông tin tải cơ học của mô-đun kính đơn có khung loại 72 cell
.
6.2.4 Lắp đặt và tải cơ học của mô-đun hai mặt kính (Installation and Mechanical Load of Dual Glass Module)
Các mô-đun hai mặt kính có thể được lắp đặt bằng bu-lông (bolts) hoặc kẹp (clamps).
Phương pháp lắp đặt và tải trọng thử nghiệm tối đa được trình bày dưới đây.
(Đơn vị của khoảng cách và chiều dài trong bảng là milimét (mm), còn đơn vị áp suất là Pascal (Pa).)
Thông tin tải cơ học của mô-đun hai mặt kính có khung loại 54–60 cell
Thông tin tải cơ học của mô-đun hai mặt kính có khung loại 66–72–78 cell
Ghi chú:
1. Dữ liệu dựa trên yêu cầu tải tĩnh của tiêu chuẩn IEC 61215 (được AIKO hoặc bên chứng nhận thứ ba kiểm định).
2. Dấu “/” thể hiện không có cấu hình lắp đặt tương ứng.
6.2.5 Phương pháp lắp đặt mô-đun PV: Hệ thống theo dõi một trục (Single-axis Tracking System Installation)
Các mô-đun loại AIKO 72 cells được thiết kế sẵn bốn lỗ bắt tiêu chuẩn tương thích với bu-lông M8 (vị trí lỗ 790 mm và 1400 mm). Ngoài ra, mô-đun loại 72 còn có bốn lỗ bắt bổ sung tương thích với bu-lông M6 (vị trí lỗ 400 mm), được sử dụng để tương thích với các hệ thống tracking một trục, chẳng hạn như NEXTracker. Khi lắp đặt, sử dụng bu-lông cố định mô-đun PV lên giá đỡ (bracket) thông qua các lỗ gắn phía sau khung mô-đun.
Chi tiết lắp đặt được trình bày trong phần sau.
Lưu ý:
-
Mô-men siết cho bu-lông M8 phải nằm trong khoảng 16 – 20 Nm,
và cho bu-lông M6 phải nằm trong khoảng 8 – 12 Nm, tùy theo cấp bu-lông (bolt class). -
Đối với cấp bền bu-lông, cần tuân thủ hướng dẫn kỹ thuật của nhà sản xuất linh kiện siết (fastener supplier).
-
Nếu có khuyến nghị riêng từ nhà cung cấp phần cứng kẹp (clamping hardware supplier), các hướng dẫn đó sẽ được ưu tiên áp dụng.
PV Module Test Load Information – Thông tin tải trọng thử nghiệm mô-đun PV
Ghi chú: Dấu “/” biểu thị không có cấu hình thử nghiệm tương ứng.
Ghi chú:
-
Dữ liệu trên dựa trên yêu cầu tải tĩnh theo tiêu chuẩn IEC 61215 (được AIKO hoặc tổ chức chứng nhận bên thứ ba kiểm định).
Vui lòng liên hệ AIKO để biết thêm chi tiết về các phương pháp lắp đặt khác và khả năng chịu tải chưa được liệt kê. -
Ký hiệu “/” cho biết không có cấu hình lắp đặt tương ứng.
07. Lắp đặt điện (Electrical Installation)
7.1 Hiệu suất điện (Electrical Performance)
Giữa giá trị danh định của hiệu suất điện theo điều kiện thử nghiệm tiêu chuẩn (STC) và giá trị đo thực tế có sai số (±3%).
Bao gồm các thông số Isc, Voc và Pmax được xác định tại điều kiện STC:
-
Bức xạ: 1000 W/m²,
-
Nhiệt độ cell: 25°C,
-
Phổ ánh sáng: AM1.5.
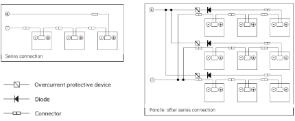
Khi các mô-đun PV được đấu nối tiếp (series), điện áp chuỗi (string voltage) là tổng điện áp của từng mô-đun riêng lẻ trong chuỗi.
Khi các mô-đun PV được đấu song song (parallel), dòng điện chuỗi (string current) là tổng dòng điện của các mô-đun riêng lẻ, như minh họa bên dưới.
Nếu mô-đun PV bị dòng điện ngược vượt quá giá trị dòng cầu chì tối đa (maximum fuse current), thì mô-đun PV phải được bảo vệ bằng thiết bị chống quá dòng (overcurrent protector) có cùng thông số kỹ thuật.
Nếu có nhiều hơn hai chuỗi PV (PV strings) được nối song song, mỗi chuỗi đều phải được bảo vệ độc lập bằng thiết bị chống quá dòng như mô tả ở trên.
Điện áp chuỗi (string voltage) không được vượt quá điện áp tối đa mà hệ thống hoặc ngõ vào của inverter có thể chịu được. Để đảm bảo an toàn, điện áp hở mạch (Voc) của toàn bộ mảng PV cần được tính toán tại nhiệt độ môi trường thấp nhất dự kiến ở khu vực lắp đặt.
Công thức tính như sau:
Maximum System Voltage – Điện áp hệ thống tối đa
Điện áp hở mạch của mảng PV cần được tính toán tại nhiệt độ môi trường thấp nhất. Công thức tính như sau:
| Ký hiệu (Symbol) |
Ý nghĩa (Description) |
Đơn vị (Unit) |
|---|---|---|
| N | Số lượng mô-đun PV được đấu nối tiếp (Number of PV modules connected in series) |
– |
| Voc | Điện áp hở mạch của từng mô-đun (theo nhãn sản phẩm hoặc bảng thông số) (Open-circuit voltage of each module) |
V |
| β | Hệ số nhiệt của điện áp hở mạch (Temperature coefficient of open-circuit voltage) |
°C⁻¹ |
| Tmin | Nhiệt độ môi trường thấp nhất dự kiến (Lowest ambient temperature) |
°C |
Ghi chú: Điện áp chuỗi không được vượt quá điện áp định mức mà inverter hoặc thiết bị điện trong hệ thống có thể chịu được.
7.2 Cáp và Đấu nối (Cables and Connections)
Hộp nối (junction box) của mô-đun PV được bảo vệ đạt cấp độ IP68, bao gồm dây cáp kết nối và đầu nối IP68.
Mỗi mô-đun PV có một cực dương (+) và một cực âm (−), được nối vào hộp nối thông qua đầu nối PV dạng plug-and-play.
Khi lắp đặt, đầu nối dương (+) của mô-đun này được kết nối với đầu nối âm (−) của mô-đun liền kề để tạo thành chuỗi mô-đun PV nối tiếp.
Cần sử dụng cáp năng lượng mặt trời chuyên dụng và đầu nối đạt tiêu chuẩn kỹ thuật, tuân thủ quy chuẩn điện và tiêu chuẩn lắp đặt tại địa phương, đồng thời đảm bảo rằng tính chất điện và cơ học của dây dẫn đáp ứng yêu cầu an toàn. Mọi kết nối điện phải tuân thủ quy định điện lực địa phương. Các mô-đun PV của AIKO sử dụng cáp PV chuyên dụng, có tiết diện tối thiểu 4 mm² và chống tia UV. AIKO khuyến nghị rằng:
-
Tất cả dây cáp phải được đi trong ống bảo vệ thích hợp và tránh xa các khu vực có nguy cơ đọng nước.
-
Nên sử dụng cáp đồng (Cu) có tiết diện ≥ 4 mm², chịu được nhiệt độ 90°C và kháng tia cực tím (UV resistant).
-
Bán kính uốn tối thiểu của dây cáp là 45 mm.
7.3 Đầu nối (Connector)
Hãy đảm bảo giữ đầu nối khô ráo và sạch sẽ. Trước khi thực hiện bất kỳ thao tác đấu nối nào, cần vặn chặt các đai ốc đầu nối.
Không được kết nối khi đầu nối đang ẩm ướt hoặc trong tình trạng bất thường.
Các đầu nối chỉ đạt mức bảo vệ IP68 khi cực dương và cực âm đã được ghép khít hoàn toàn. Do đó, sau khi lắp đặt, cần đóng kín kết nối càng sớm càng tốt hoặc thực hiện các biện pháp chống hơi nước và bụi xâm nhập vào đầu nối.
Tránh để đầu nối tiếp xúc trực tiếp với ánh nắng mặt trời hoặc đặt trực tiếp trên bề mặt mái hoặc nền đất. Đảm bảo rằng mọi kết nối điện đều chắc chắn và an toàn — vì kết nối lỏng lẻo có thể gây phóng điện (electrical arcing) hoặc giật điện.
Nếu cần sử dụng nhiều loại đầu nối khác nhau, vui lòng liên hệ bộ phận kỹ thuật của AIKO qua email:
📧 [email protected]
08. Nối đất (Grounding)
Các mô-đun PV của AIKO được thiết kế với khung hợp kim nhôm chống ăn mòn (anodized aluminum alloy) đóng vai trò giá đỡ cứng vững. Khung mô-đun phải được nối đất để đảm bảo an toàn khi vận hành, đồng thời bảo vệ mô-đun khỏi sét đánh và tĩnh điện tích tụ.
Việc nối đất cần được thực hiện bằng thiết bị nối đất chuyên dụng, đảm bảo tiếp xúc hoàn toàn với phần kim loại bên trong của khung nhôm, xuyên qua lớp oxit bảo vệ để đạt hiệu quả dẫn điện tốt nhất.
Các thiết bị nối đất bao gồm:
-
Vít nối đất (grounding screws)
-
Vòng đệm phẳng (flat washers)
-
Miếng đệm xuyên (puncture gaskets)
-
Thanh hoặc dây nối đất (grounding wires)
Tất cả các linh kiện nối đất phải làm bằng thép không gỉ (stainless steel), trừ dây nối đất, dây này phải là đồng (copper wires).
Dây nối đất cần được kết nối với điện cực nối đất (grounding electrode) phù hợp theo tiêu chuẩn kỹ thuật điện địa phương.
Các thiết bị nối đất của bên thứ ba có thể được sử dụng nếu đáp ứng đầy đủ tiêu chuẩn kỹ thuật địa phương và phù hợp với mô-đun PV AIKO.Tất cả thiết bị nối đất phải được lắp đặt theo hướng dẫn vận hành của nhà sản xuất để đảm bảo độ an toàn và độ bền lâu dài.
🔧 Phương pháp nối đất khuyến nghị (Recommended Grounding Method)
Trên bề mặt C của khung mô-đun PV có các lỗ nối đất Ø4.2 mm.
Sử dụng dây nối đất riêng và phụ kiện đi kèm để kết nối khung nhôm của mô-đun với hệ thống nối đất.
Khuyến nghị dùng bu-lông M4×12 mm kèm đai ốc M4, vòng đệm răng và vòng đệm phẳng.
Mô-men siết bu-lông nối đất: 3–7 Nm.
Sử dụng dây đồng 4 mm² làm dây nối đất.
Các lỗ gắn mô-đun chưa sử dụng trên khung cũng có thể được dùng để nối đất.
Cách đấu nối: Đặt lần lượt vòng đệm răng → vòng đệm phẳng → dây nối đất,
sau đó xuyên qua lỗ nối đất, siết chặt bằng vít để cố định các mô-đun PV liền kề.
09. Bảo dưỡng mô-đun điện mặt trời (Maintenance of PV Modules)
Các mô-đun PV cần được kiểm tra và bảo dưỡng định kỳ, đặc biệt là trong thời gian bảo hành, đây là trách nhiệm bắt buộc của người sử dụng.
Bất kỳ hư hỏng hoặc dấu hiệu bất thường nào của mô-đun PV cần được báo ngay cho bộ phận kỹ thuật của AIKO qua email:
📧 [email protected]
9.1 Vệ sinh (Cleaning)
Hiệu suất phát điện của mô-đun PV phụ thuộc vào cường độ ánh sáng chiếu tới, và có thể giảm đáng kể nếu bề mặt bị bám bụi hoặc che bóng.
Do đó, cần làm sạch mô-đun PV ngay khi bị bám bẩn.
Tần suất vệ sinh phụ thuộc vào mức độ bám bụi.
Những hệ thống được lắp nghiêng hợp lý sẽ giúp nước mưa tự rửa trôi bụi bẩn, giảm nhu cầu vệ sinh thủ công.
Khi vệ sinh, khuyến nghị làm sạch bề mặt kính của mô-đun PV bằng miếng bọt biển mềm hoặc khăn lưới sạch thấm nước.
⚠️ Không sử dụng dung dịch có chứa axit hoặc kiềm, không dùng bàn chải cứng hoặc dụng cụ thô ráp.
Thời điểm vệ sinh tốt nhất là vào sáng sớm hoặc chiều muộn, khi ánh sáng yếu và nhiệt độ bề mặt mô-đun thấp hơn, giúp tránh sốc nhiệt và nứt kính.
Phương pháp A: Vệ sinh bằng nước áp lực cao (High Pressure Water Cleaning)
Yêu cầu chất lượng nước:
-
pH: 6 – 8
-
Độ cứng nước (hàm lượng canxi cacbonat): <600 mg/L
-
Khuyến nghị dùng nước mềm để làm sạch
-
Áp lực nước tối đa cho phép: ≤ 4 MPa (40 bar)
Dụng cụ khuyến nghị:
💧 Nước sạch
🍶 Cồn etylic tuyệt đối (Absolute ethyl alcohol)
Phương pháp B: Vệ sinh bằng dụng cụ mềm (Wet Test Cleaning)
-
Nếu bề mặt mô-đun PV bị bám bẩn nặng, hãy dùng bàn chải cách điện mềm, bọt biển hoặc khăn lau chuyên dụng để làm sạch cẩn thận.
-
Đảm bảo các dụng cụ lau chùi hoặc chà xát được làm bằng vật liệu cách điện, giúp giảm nguy cơ giật điện và tránh trầy xước kính hoặc khung nhôm.
-
Với các vết dầu hoặc bẩn khó tẩy, nên sử dụng dung dịch tẩy rửa thân thiện môi trường, không ăn mòn (non-corrosive cleaner).
Phương pháp C: Vệ sinh bằng robot (Robot Cleaning)
Nếu sử dụng robot vệ sinh khô, chổi làm sạch cần được chế tạo từ nhựa mềm, nhằm tránh trầy xước bề mặt kính và khung nhôm hợp kim của mô-đun PV trong và sau quá trình vệ sinh.
Trọng lượng của robot vệ sinh không được vượt quá 40 kg.
Mọi hư hỏng mô-đun PV hoặc suy giảm hiệu suất điện do robot làm sạch không đúng cách đều không nằm trong phạm vi bảo hành của AIKO.
9.2 Kiểm tra trực quan mô-đun PV (Visual Checks of the PV Modules)
Thực hiện kiểm tra trực quan để phát hiện các khuyết tật có thể nhìn thấy trên mô-đun, bao gồm:
-
Kính của mô-đun PV có bị nứt, vỡ hoặc hư hại không.
-
Hộp nối (junction box) có bị hỏng hoặc dây cáp có bị đứt không.
-
Mô-đun PV có bị che bóng bởi vật thể lạ hoặc bụi bẩn không.
-
Kiểm tra bu-lông gắn mô-đun lên khung đỡ có bị lỏng, ăn mòn hoặc rỉ sét không; siết lại hoặc thay thế khi cần.
-
Kiểm tra xem mô-đun PV đã được nối đất đúng cách chưa.
9.3 Kiểm tra đầu nối và dây cáp (Checks of Connectors and Cables)
Khuyến nghị thực hiện kiểm tra định kỳ 6 tháng một lần, bao gồm:
-
Đầu nối (connector) đã được bịt kín đúng cách và dây cáp đã được cố định chắc chắn chưa.
-
Keo chống nước (sealant) của hộp nối có bị nứt hoặc hở không.
9.4 Hỗ trợ kỹ thuật AIKO (AIKO Technical Support)
Để yêu cầu hỗ trợ kỹ thuật từ AIKO, người dùng cần:
-
Thu thập bằng chứng về sự cố, gồm: (a) hình ảnh thực tế và (b) số liệu đo đạc.
-
Chuẩn bị hóa đơn mua hàng và số sê-ri mô-đun để xác minh bảo hành.
-
Liên hệ đơn vị lắp đặt hoặc trực tiếp với AIKO để được hỗ trợ kỹ thuật.


































